建筑扣件检测周期一般为几年 建筑扣件检测方法规范
建筑扣件是建筑结构中的重要连接件,承担着支撑和连接结构的重要功能。为了确保建筑结构的安全性和稳定性,需要对建筑扣件进行检测,那么建筑扣件检测周期一般为几年?建筑扣件有哪些检测方法规范?本文将为大家详细介绍,并附上正规建筑扣件检测报告。
建筑扣件检测周期
建筑扣件的检测周期一般为一到两年一次。对于新建工程,施工单位应在扣件安装完成后进行首次检测,以确保扣件的质量和安装效果。对于既有建筑,扣件的检测应定期进行,具体的检测周期应根据建筑结构的使用情况、环境条件、扣件材料和连接方式等因素进行综合评估。在特殊情况下,比如建筑结构受到外部冲击或自然灾害影响时,也需要进行及时的检测和评估。定期的扣件检测有助于及时发现扣件的损坏、疲劳、变形或腐蚀等问题,从而采取相应的维护和修复措施,确保建筑结构的安全可靠。
建筑扣件检测方法
1. 目视检查:通过裸眼观察扣件的外观情况,包括表面是否有明显的损伤、变形、裂纹、腐蚀等情况。目视检查是最基本的检测方法,可以快速发现明显的问题。
2. 尺寸测量:使用测量工具对扣件的尺寸进行测量,包括直径、长度、螺纹长度等,以检查扣件的尺寸是否符合设计要求。
3. 超声波检测:利用超声波技术对扣件进行检测,可以发现扣件内部的裂纹、疲劳损伤等问题,是一种常用的无损检测方法。
4. 磁粉探伤:对于一些表面不易观察到的裂纹或疲劳损伤,可以使用磁粉探伤方法,通过施加磁场和磁粉检测剂来发现扣件的裂纹和缺陷。
5. 化学成分分析:对扣件材料进行化学成分分析,以确定材料的质量和性能是否符合要求。
6. 力学性能检测:通过拉伸、压缩、弯曲等力学试验,评估扣件的强度、刚度、延展性等力学性能,以确??奂谑导适褂弥械陌踩煽啃浴?/p>
以上是建筑扣件检测的一些常用方法,建议在进行扣件检测时,结合多种方法进行综合检测,以确保检测结果的准确性和全面性。
建筑扣件检测规范
GB 15831-2006 《钢管脚手架扣件》;
GB 24910-2010 《钢板冲压扣件》;
GBT 15831-2006 《钢管脚手架扣件》;
GBT 15831-2023《钢管脚手架扣件》;
JGJ 130-2011 《建筑施工扣件式钢管脚手架安全技术规范》;
TBT 2491-1994 《扣件组装疲劳试验方法 现行》;
TBT 3395.1-2015 《高速铁路扣件 第1部分:通用技术条件》;
TBT 3515.2-2018 《弹性交承块式无砟轨道部件 第2部分:扣件》;
TBT 3519-2018 《客货共线铁路扣件通用技术条件》。
建筑扣件检测报告
建筑扣件检测报告一般需要委托专业第三方检测机构,如老牌国家级检测单位中钢国检,是质检总局首批批准成立的第三方公正性技术检验机构,其在建筑材料检测方面十分权威。中钢国检现拥有检测资质认定授权证书CAL、检验机构资质认定证书CMA、实验室认可证书CNAS、国际实验室认可合作组织ILAC、桥隧专项、特种设备检验检测资质、安全生产检测检验机构资质等证书。目前已经深耕行业近40年,在行业内享有良好的声誉,很多单位指定要中钢国检出具的检测报告。
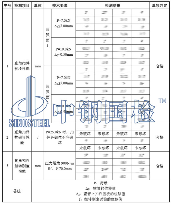
中钢国检作为老牌检测单位,服务行业近40年,其拥有非常丰富的建筑扣件检测经验,下面就是某单位委托中钢国检做的扣件检测,客户送检了16套样品,共委托了3项检测项目指标,详细内容如下:
工程费部位:防护脚手架及模板支撑部位
样品名称:建筑扣件
规格型号:直角
检测类别:委托检测
检测标准依据:1.GB 15831-2006《钢管脚手架扣件》。
判定依据:GB 15831-2006《钢管脚手架扣件》。
检测项目:1.直角扣件抗滑性能,2.直角扣件抗破坏性能,3. 直角扣件扭转刚度性能。
检测项目结果:
检测结论:送检样品所检项目符合GB 15831-2006标准要求。
以上就是中钢国检根据客户委托的样品检测项目结果,出具的建筑扣件检测报告,报告加盖了相关资质印章,具备法律效力,在中钢国检官网和国家质量监督总局均线上可查,全国认可,用途广泛。
综上,中钢国检是专业第三方检测机构,提供建筑扣件全面检测服务,并且中钢国检检测服务覆盖全国,各个地区客户可就近选择检测站和实验室。同时,中钢国检支持邮寄、上门取样和现场检测等多个送检方式,线上委托,检测方便快捷,一般3-7天即可出具正规检测报告。若您有建筑扣件或其他检测需求,均可随时咨询中钢国检,与工程师沟通具体的检测样品及检测项目指标,并获取优惠报价。
中钢国检(中钢集团郑州金属制品研究院股份有限公司),是国家质检总局首批批准成立的第三方公正性技术检验机构。现拥有CAL、CMA、CNAS、ILAC、SCS等资质证书,全国10家分公司,各省市都有办事处,检测业务涵盖:金属、高分子材料、建筑材料、铁路公路桥梁隧道工程、地基桩基工程、人防工程、无损检测等。
如果您对检测感兴趣或者有疑问,欢迎拨打工程师电话17637196615(张工)或者点击“在线咨询”,工程师将为您提供详细的解答、周到的服务。

