水电站压力钢管检测项目 第三方机构检测报告
- 来源中钢国检
- 水电站压力钢管检测项目 水电站压力钢管机构 水电站压力钢管检测报告
水电站压力钢管检测是确保水电站安全运行和可靠性的重要环节。本文将介绍水电站压力钢管检测的项目及检测标准依据,并为大家附上水电站压力钢管第三方机构正规检测报告。
水电站压力钢管检测项目包括哪些
水电站压力钢管检测项目主要包括以下几个方面:
1. 管道外观检测:通过目视和触摸检查管道表面是否存在腐蚀、破损、变形等问题,以及管道支架、焊缝等是否完好。
2. 管道材质检测:通过取样分析,确定管道的材质和化学成分,以验证其符合设计要求。
3. 管道壁厚测量:使用超声波测厚仪等设备,测量管道壁厚,判断管道是否存在腐蚀、磨损等问题。
4. 管道内部检测:通过使用内窥镜、摄像设备等,检查管道内部是否存在结垢、堵塞、裂纹等问题。
5. 管道压力测试:通过施加压力,检测管道是否存在泄漏、渗漏等问题,以及管道的承压能力是否符合要求。
6.管道无损检测:无损检测方法包括射线检测、超声波检测和脉冲发射法。用来检验材料内部缺陷。
以上就是 水电站压力钢管部分检测项目内容,具体检测项目还需要根据实际情况来定。
检测标准依据
水电站压力钢管检测的标准依据主要包括国家标准、地区标准、行业标准和设计要求等,部分标准如下:
SL 281-2003 水电站压力钢管设计规范
NB/T 35056-2015 水电站压力钢管设计规范
SL 432-2008水利工程压力钢管制造安装及验收规范
GB 50766-2012 水电水利工程压力钢管制作安装及验收规范
CJ/T 183-2008 钢塑复合压力管
DLT 5017-2007 水电水利工程压力钢管制造安装及验收规范
SL 432-2008 水利工程压力钢管制造安装及验收规范
水电站压力钢管第三方检测报告-中钢国检案例
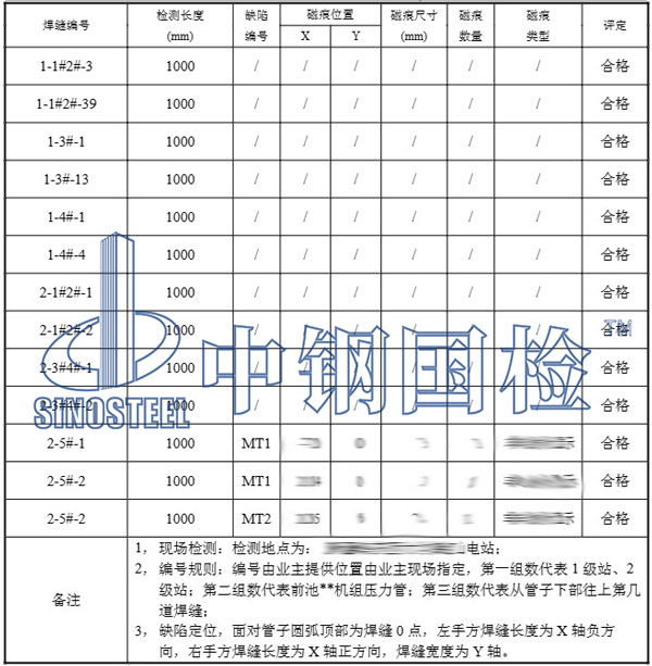
中钢国检是老牌国企检测单位,是质检总局首批批准成立的第三方公正性技术检验机构,至今已经服务行业近40年,接到很多水电站压力钢管检测委托,下面就是某单位委托中钢国检做的水电站压力钢管检测,检测项目是焊缝质量检测,详细内容如下:
工程部位:水电站红线内压力钢管
样品名称:压力钢管
样品数量:12米
检测类别:委托检测
检测标准依据:GB/T 26951-2011《焊缝无损检测 磁粉检测》
判定依据:GB/T 26952-2011 《焊缝无损检测 悍缝磁粉检测 验收等级》
检测项目:1.焊缝质量检测(磁粉检测)。
检测项目结果:

压力钢管现场检测
检测结论:委托样品所检项目符合GB/T 26952-2011标准2级要求。
以上就是中钢国检根据客户委托水电站压力钢管的检测项目结果,出具的水电站压力钢管检测报告,报告加盖了相关资质印章,具备法律效力,全国认可,用途广泛。
综上,中钢国检是专业第三方检测机构,提供钢管检测服务,若您有钢管检测需求,欢迎随时咨询中钢国检,并于工程师沟通具体的检测项目指标,并获取优惠报价。
中钢国检(中钢集团郑州金属制品研究院股份有限公司),是国家质检总局首批批准成立的第三方公正性技术检验机构。现拥有CAL、CMA、CNAS、ILAC、SCS等资质证书,全国10家分公司,各省市都有办事处,检测业务涵盖:金属、高分子材料、建筑材料、铁路公路桥梁隧道工程、地基桩基工程、人防工程、无损检测等。
如果您对检测感兴趣或者有疑问,欢迎拨打工程师电话17637196615(张工)或者点击“在线咨询”,工程师将为您提供详细的解答、周到的服务。

